You must be logged in to download file.

Log in
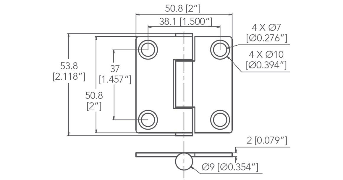
Measurements
N6-5AF-5V5-24_MEAS-DRAW

STAMPED HINGE S 50.8X50.8

You must be logged in to download file.

Log in
  • Stamped hinge in 316 stainless steel.
  • Designed to withstand harsh marine environments.
  • Tight tolerance construction.
  • Durability and beauty combined.
Part number

N6-5AF-5V5-24