You must be logged in to download file.

Log in
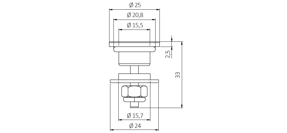
Measurements
AU-102180_meas-draw

T-ROLLER LIFT

You must be logged in to download file.

Log in
  • T-roller lift latch assembly in 316 stainless steel.
  • Flush exterior suitable for floor latch applications.
  • Premium finish and corrosion resistance.
  • Weather proof design.
  • Note that handle/key is sold separately here.
Part number

AU-102180

Application photos